

Замок электромеханический врезной ISEO 781802302
|
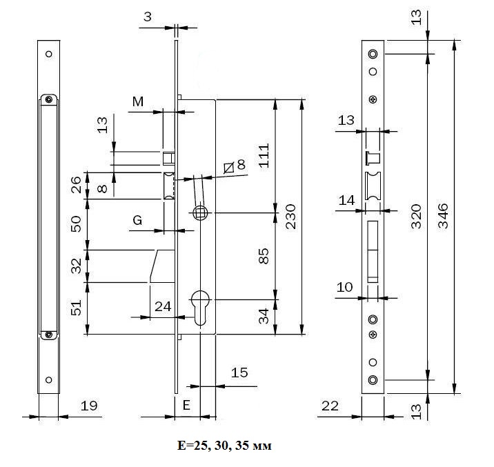
Электромеханический замок 7818 серии Electa применяется на узкопрофильных алюминиевых и пластиковых дверях, где ограничена глубина посадки замка, однако данная модель может быть установлена врезным способом на деревянные и стальные двери. Компактные размеры и нормально-закрытый режим делают данный замок универсальным решением при оборудовании дверей в кассах, банках, офисных помещениях и т. д., где требуется сохранить запертое состояние при отключении электропитания. Надежное запирание двери обеспечивается поворотным ригелем с глубиной вылета 24 мм и защелкой. Открытие и закрытие защелки управляется с помощью нажимной ручки, механического ключа либо дистанционно управляющим сигналом контроллера доступа или кнопкой выхода. Управление поворотным ригелем осуществляется только ключом. Замок совместим с цилиндром европейского профиля. 7818 может запитываться от любого источника переменного или постоянного напряжения 12 В. Замок поставляется без ответной планки и цилиндра. |
Для заказа доступны следующие модификации замка 7818:
- 7818-02-25-2 - с расстоянием от центра цилиндра до внешней стороны торцевой планки (бэксэт) 25 мм.
- 7818-02-30-2 - с расстоянием от центра цилиндра до внешней стороны торцевой планки (бэксэт) 30 мм.
- 7818-02-35-2 - с расстоянием от центра цилиндра до внешней стороны торцевой планки (бэксэт) 35 мм.
Характеристики
Электромеханический замок 7818-02-25-2
| Тип монтажа | врезной |
| Тип двери | алюминиевая, ПВХ |
| Изменяемое направление открывания | да |
| Режим | нормально-закрытый NC |
| Расстояние от центра ручки до центра механизма секретности (межосевое расстояние) | 85 мм |
| Бэксэт (опционально) | 25 мм (опционально 30, 35 мм) |
| Ширина торцевой планки | 22 мм |
| Выход ригеля | 24 мм |
| Напряжение питания | 12 АС/DC |
| Потребляемая мощность | 15 Вт |
| Материал корпуса | оцинкованная сталь |
| Материал торцевой планки | нержавеющая сталь |
| Основные атрибуты | |
|---|---|
| Производитель | ISEO |
| Тип установки замка | Врезной |
| Страна производитель | Италия |
- Цена: от 59 150 ₸


