




Итергіш және есіктің орналасу сенсоры бар электромеханикалық құлып Promix-SM308 (Шериф-8)
Фитнесклубтардың, мектептердің, кәсіпорындардың киім ауыстыратын бөлмелеріндегі шкафтардың, құжаттарды сақтауға арналған жәшіктердің, сақтау камераларының (пошта бөлімшелерінің) ұяшықтарына оларды қашықтықтан ашу мүмкіндігімен кіруді шектеуге арналған.
Құлып шкафтың ішкі беттеріне есікке перпендикуляр орнатылады. Қарсы бөлік (ригель) есікке орнатылады.
Жұмыс принципі: қуат көзіне кернеу берілгенде, құлып есіктің құлпын ашады және кіріктірілген итергішпен оны сыртқа шығарады. Осылайша, ашық есік бірден көрінеді және есікке тұтқаны орнатудың қажеті жоқ.
- Құлып "құрғақ контактілері" бар есіктің орналасу сенсорымен жабдықталған.
- Жабық есіктің люфті жоқ;
- Қуатты аз тұтыну.
|
Құлыпты қосу опциялары (коммутатор, домофон, контроллер және т.б. құлыпқа қуат беру кернеуін бере алады.) |
Қалыпты жабық құлыптардың құлпын ашу қоректендіру кернеуін қолдану арқылы жүзеге асырылады. Құлыптың жұмыс істеуі үшін қуат көзі мен СКУД контроллері қажет.
Құлыпты ашу үшін ҚББЖ контроллері құлыпқа техникалық сипаттамаларда көрсетілгеннен аспайтын уақытқа қуат кернеуін беруі керек.
Құлыпты авариялық қолмен ашу үшін тетікті құлып ойығы арқылы жылжыту қажет:
Құлып үлгісінің белгілеу құрылымы:
Promix-SM308.XY.Z color, мұнда:
| X - құлыпты орындау: |
1 - әдетте жабық; |
| Y - номиналды қоректендіру кернеуі: |
0 - 12 жылы; |
| Z - кіріктірілген датчиктердің болуы: |
1 - есіктің орналасу датчигінің. |
| color - корпустың түсі: |
white - ақ, brown - қоңыр, silver - күміс, қара - қарғыс |
Құлыптарға тапсырыс беруге болатын модификациялар кестеде берілген (түстерді жоғарыдан қараңыз):
| Құлып үлгісі | Сипаттамасы |
|---|---|
| Promix-SM308.10.1 |
Әдетте жабық (кернеу беру арқылы ашылады), қорек кернеуі 12 В, есіктің кіріктірілген орналасу сенсоры |
Ерекшеліктері
- Тегіс пішін, әртүрлі түстер және шағын өлшемдер кез келген дизайндағы шкафқа құлыпты орнатуға мүмкіндік береді;
- Металл және ДСП жиһазына орнату;
- Құлып бөлшектерінің тоттануға қарсы жабыны;
- Пайдалану кезеңінде профилактикалық жұмыстардың және жағармайларды қолданудың болмауы.
Тех.сипаттамалары
Ригельді ұстап тұру күші, кг кемінде 250
Ригельді итерудің бастапқы күші, кг 1,2 кем емес
Тұрақты токтың қорек кернеуі, В 10-14
Қоректендіру кернеуі импульсінің ұзақтығы, сек 1-10
Қоректендіру кернеуінің импульстері арасындағы аралық, сек 15
Тұтынылатын ток (12В кезінде), мА 250 артық емес
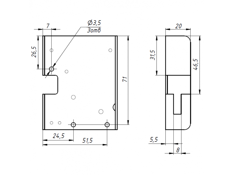
Promix-SM308 құлыпының габариттік өлшемдері
Promix-SM308 құлып ригелінің габариттік өлшемдері
Promix-SM308 құлыпының орнату өлшемдері
| Негізгі белгілері | |
|---|---|
| Өндіруші | ПроМикс |
| Құлыпты орнату түрі | Жүкқұжат |
- Бағасы: бастап32 240 ₸
- Тапсырыс бойынша
- Коды:Promix-SM308
Жіберу 11 сәуір 2026бастап 32 240 ₸
- +7 (701) 648-77-02ТОЛЬКО WhatsApp ДЛЯ ПРИЕМА ЗАКАЗОВ











