




Пластикалық есіктер мен терезелерге арналған электромеханикалық құлып Promix-SM305 (Шериф-5), БІРАҚ әдетте ашық
Promix-SM305 - "Шериф-5" құлыптар сериясының жаңа атауы.
Promix-SM305 электромеханикалық құлпы топсалы пластик есіктер мен терезелерді, кіруді бақылау және басқару жүйелерінің контроллерлерін, аудио және бейне есік қоңырауларын, кодтық панельдерді пайдаланып қашықтан ашу мүмкіндігімен құлыптауға арналған. Құлыпты авариялық қолмен ашу мүмкіндігі қарастырылған (Пайдалану жөніндегі нұсқаулықты қараңыз).
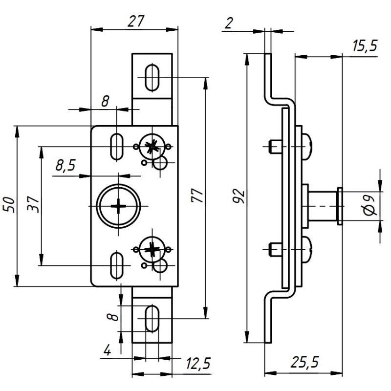
Құлыптың қалыпты жұмысы 10-нан 15 мм-ге дейінгі диапазондағы жақтау мен есік арасындағы саңылауға арналған.
Құлыптың сыртқы корпусы мен тіреуіш штангасы арнайы стандартты пішінде жасалған және Ресейде жасалған пластикалық профильдердің көпшілігіне жарамды. Бұл ағаш ұсталық жұмыстарын барынша азайтуға мүмкіндік береді.
Конструкцияда көлденең және тік жазықтықтарда ригельдің орналасуын реттеу қарастырылған. Есік жақтауы мен есік арасындағы саңылауға байланысты болттың орнын түзету үшін реттегіш төсемдер қолданылады.
Құлып сыртқы есіктерге орнатылуы мүмкін, егер қыс мезгілінде көбінесе құлыпқа қуат кернеуі берілсе.

Есік жабылған кезде ригель құлыптың ішіне кіріп, ілмекпен бекітіледі. Құлыпты апатты жағдайда ашу мүмкіндігі қарастырылған - ол үшін тетікті қарама-қарсы жаққа жылжыту қажет:
|
Құлыпты қосу опциялары (коммутатор, домофон, контроллер және т.б. құлыпқа қуат беру кернеуін бере алады.) |
НАЗАР АУДАРЫҢЫЗ!
Есікті немесе терезені дайындау кезінде саңылауларға арналған пластикалық профильдер мен фитингтерді өндіруші компаниялардың талаптары сақталмауы мүмкін!
Құлыпты орнатпас бұрын есік жақтауы мен есік арасындағы саңылау 10-15 мм екеніне көз жеткізіңіз.
Ресей аумағында пластикалық профильдер мен әртүрлі конфигурациядағы есіктер қолданылады. Құлыпты сатып алмас бұрын, құлыптың жоспарланған орнату орнына сәйкес келетініне көз жеткізіңіз (сызбалар мен құжаттаманы қараңыз).
Пластикалық профильдерге Promix-SM305 құлпын орнату мысалдары:
| REHAU | KBE-58 | KBE-70 | KBE-76 | KBE-88 | KBE-Knipping |
| Blitz | KBE-58(Engine) | KBE-70(Energy) | KBE-76(AluClip) | KBE-88 | Knipping-58 |
| Briliant | KBE-58(Etalon) | KBE-70(Expert) | KBE-76(Premium) | Knipping-70 | |
| Delight | KBE-58(Gut) | KBE-70(Expert+) | KBE-76 | ||
| Geneo | KBE-70(Master) | ||||
| Gutwerk | KBE-70(Optima) | ||||
| Intelio | KBE-70(Select) | ||||
| Sib |
Құлып үлгісінің белгілеу құрылымы:
Promix-SM305.XY, мұнда:
| X - құлыпты орындау: |
0 - әдетте ашық, |
| Y - номиналды қоректендіру кернеуі: |
0 - 12 жылы |
Құлыптарға тапсырыс беруге болатын модификациялар кестеде берілген (түстерді жоғарыдан қараңыз):
| Құлып үлгісі | Сипаттамасы |
|---|---|
| Promix-SM305.00 |
Әдетте ашық (кернеуді босату арқылы ашылады), қорек кернеуі 12 В |
| Promix-SM305.10 |
Әдетте жабық (кернеу беру арқылы ашылады), қорек кернеуі 12 В |
Тех.сипаттамалары
|
|
Promix-SM305 пластикалық есіктерге арналған құлыптың жалпы және орнату өлшемдері
Promix-SM305 құлып ригелі
Фото және бейнематериалдар
| Негізгі белгілері | |
|---|---|
| Өндіруші | ПроМикс |
- Бағасы: бастап41 170 ₸
- Бар
- Коды:Promix-SM305.00
бастап 41 170 ₸
- +7 (701) 648-77-02ТОЛЬКО WhatsApp ДЛЯ ПРИЕМА ЗАКАЗОВ








