

Promix-AD.KM.01 (Шериф-3В.КЛ) Шериф-3В үшін құлыпты ашу механизмі
- Promix-AD.KM.01 құлпын ашу механизмі тәуелсіз құрылғы болып табылады және қуат көзі істен шыққан жағдайда кез келген дизайндағы Promix-SM203 немесе Promix-SM213 электромеханикалық құлпын механикалық түрде ашуға мүмкіндік береді.
- Механизм адамдар тұрақты тұратын үй-жайларға кіруді шектеу үшін қалыпты жабық құлыптарды пайдаланған кезде қажетті қосымша болып табылады.
- Механизм тәуелсіз құрылғы болып табылады және ол істен шыққан жағдайда да Promix-SM203 немесе Promix-SM213 құлпын механикалық түрде ашуға мүмкіндік береді!
- Бекіту жолағының орнына қалыңдығы 40 мм есік жапырағына орнатылады (құлыппен бірге жеткізіледі).
- Құлып есік жақтауына орнатылған кезде қолданылады.
- Механизмді кез келген модификациядағы Promix-SM203 немесе Promix-SM213 құлыптарымен пайдалануға болады.
Жеткізу жиынтығы
- Құлыпты ашу механизмінің жинағы - 1 дана.
- Цилиндрлік механизм 60 мм (кілттермен бірге) - 1 дана.
- Планка - 1 дана.
- Кілт (жинақ) - 2 дана.
- Бекіту жолағы (жинаққа кірмейді, Promix-SM203 немесе Promix-SM213 құлыпымен бірге жеткізіледі)
- Өздігінен бұрап тұратын бұранда 3,5х32 DIN 7982 (жинаққа кірмейді, Promix-SM203 немесе Promix-SM213 құлыпымен бірге жеткізіледі)
- Өздігінен бұрап тұратын бұранда 3,5х16 DIN 7982 - 4 дана.
- Белгілеуге арналған шаблон - 1 дана.
- Пайдалану жөніндегі нұсқаулық - 1 дана.
Клавиатуралардың сыртқы түрі суреттегіден өзгеше болуы мүмкін!
Механизмнің жұмыс істеу принципі
Механизм құлыптың құлыптау тақтасының орнына пайдаланылады және қуат кернеуін басқаратын Promix-SM203 немесе Promix-SM213 құлыпының қалыпты жұмысын қамтамасыз етеді. Құлыпты механикалық түрде ашу үшін (құлыптың орындалуына, қуат кернеуінің болуына және құлыптау механизмінің жұмысқа жарамдылығына қарамастан) кілтті (сыртынан) немесе тұтқаны (ішінен) мүмкіндігінше бұрап, есікті тарту керек.
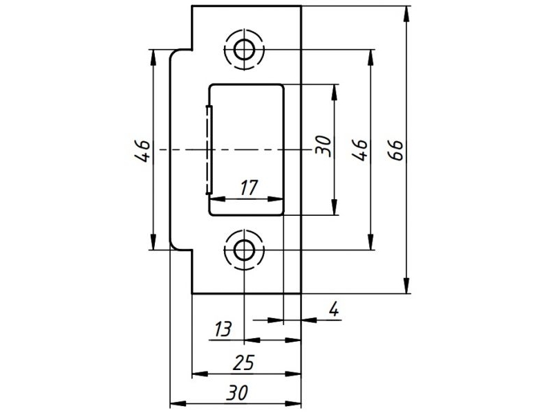
Құлыпты ашу механизмінің габариттік және орнату өлшемдері
Бекіту жолағының өлшемдері мен орнату өлшемдері (Promix-SM203, SM213 құлыптарымен бірге жеткізіледі)
Promix-AD.KM.01 бұйымның құрамы
| Негізгі белгілері | |
|---|---|
| Өндіруші | ПроМикс |
- Бағасы: бастап8 600 ₸




